Prawidłowy dobór i instalacja okablowania do rolet elektrycznych to nie tylko kwestia funkcjonalności, ale przede wszystkim bezpieczeństwa Twojego domu i jego mieszkańców. Jako Błażej Brzeziński, widzę, jak często ten aspekt jest bagatelizowany, co prowadzi do poważnych problemów. Ten poradnik rozwieje wszelkie wątpliwości, dostarczając Ci kompleksowej wiedzy, która pozwoli na świadome podjęcie decyzji i prawidłowe przygotowanie instalacji, niezależnie od tego, czy będziesz ją wykonywał samodzielnie, czy zlecał specjaliście.
Prawidłowe okablowanie rolet elektrycznych kluczowe parametry i zabezpieczenia
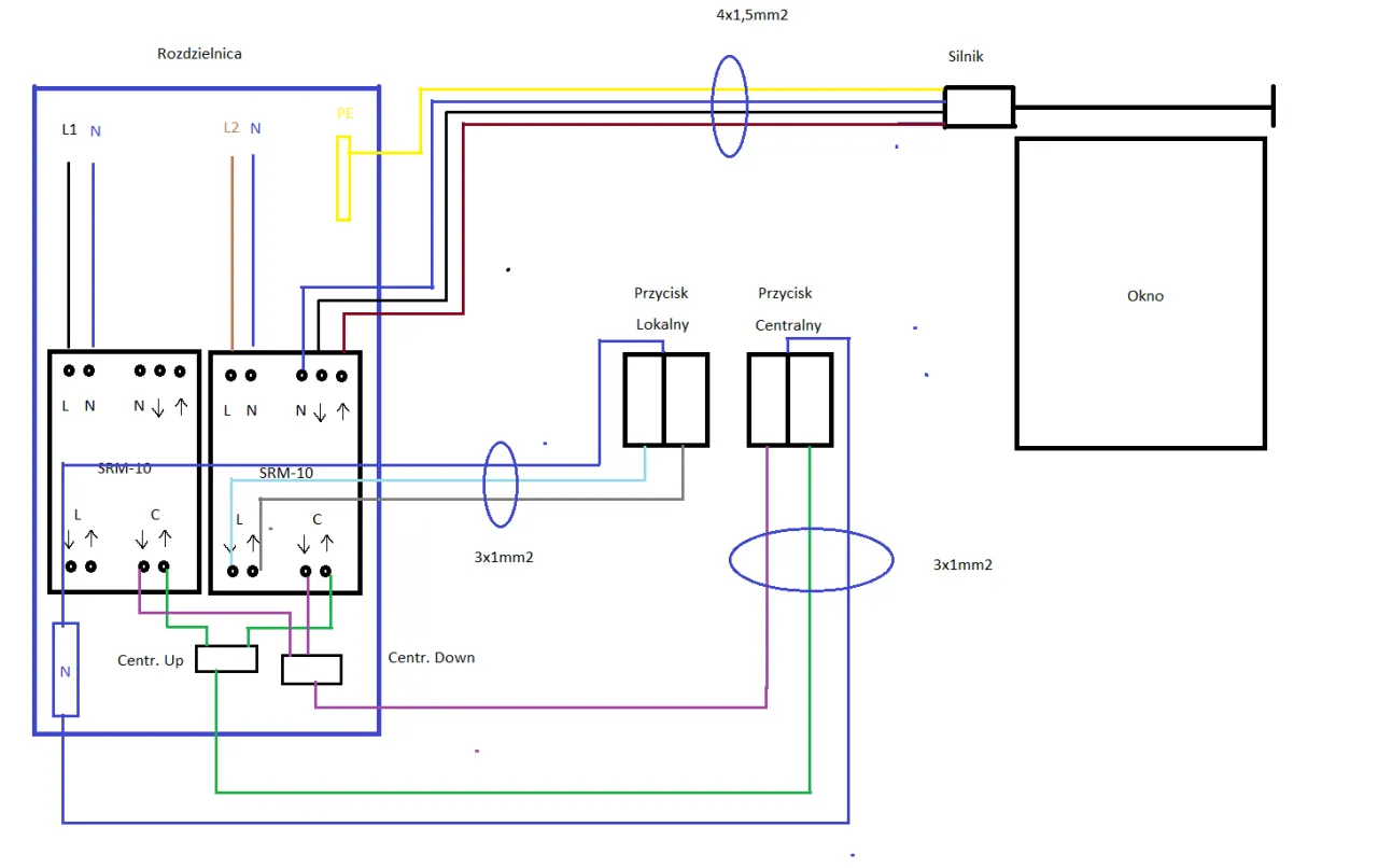
- Standardowy przekrój przewodu to 1,5 mm² dla większości rolet, a 2,5 mm² dla dłuższych odcinków lub mocniejszych silników.
- Liczba żył w kablu zależy od sposobu sterowania: 3 żyły (radio/smart), 4 żyły (przełącznik ścienny), 5 żył (uniwersalne i przyszłościowe rozwiązania smart home).
- Stosuj przewody typu YDYp lub YDY, a dla rolet zewnętrznych wybieraj te z izolacją odporną na wilgoć i promieniowanie UV.
- Instalacja musi być zabezpieczona wyłącznikiem różnicowoprądowym (RCD 30 mA) oraz nadprądowym (zazwyczaj B10 A).
- Przewody prowadź w peszlach, połączenia wykonuj w puszkach, pozostawiając zapas kabla przy silniku.
- Dla systemów inteligentnego domu rozważ topologię gwiazdy i przewody 5-żyłowe dla maksymalnej elastyczności.

Dlaczego dobór kabla do rolet jest tak ważny?
Nieprawidłowy dobór okablowania do rolet elektrycznych to prosta droga do szeregu problemów, które mogą mieć poważne konsekwencje. Przede wszystkim, niewłaściwy przekrój przewodu może prowadzić do jego przegrzewania się, co w skrajnych przypadkach grozi pożarem. To ryzyko, którego absolutnie nie wolno lekceważyć. Poza bezpieczeństwem, ucierpi również funkcjonalność zbyt cienkie przewody powodują spadki napięcia, co objawia się wolniejszym działaniem silnika, jego przegrzewaniem się, a w konsekwencji skróceniem żywotności. Niestabilne działanie, problemy z kalibracją czy nawet uszkodzenie silnika to tylko niektóre z możliwych scenariuszy. Pamiętaj, że odpowiednie okablowanie to inwestycja w długotrwałe, bezpieczne i komfortowe użytkowanie Twoich rolet.
Czym ryzykujesz, wybierając zły przewód? Bezpieczeństwo i funkcjonalność na pierwszym miejscu
Zanim zagłębimy się w szczegóły, warto zrozumieć podstawowe pojęcia, które pomogą Ci w podjęciu świadomej decyzji:
- Przekrój: To grubość miedzianego przewodnika w kablu, wyrażana w milimetrach kwadratowych (mm²). Im większy przekrój, tym większy prąd może przez niego płynąć bez ryzyka przegrzewania i spadków napięcia.
- Żyły: To pojedyncze przewody znajdujące się wewnątrz izolacji kabla. Liczba żył określa, ile funkcji sterujących lub zasilających może być jednocześnie realizowanych przez dany kabel.
- Typ kabla: Odnosi się do rodzaju izolacji, kształtu i przeznaczenia przewodu. Różne typy kabli mają różne właściwości, np. odporność na wilgoć, promieniowanie UV czy uszkodzenia mechaniczne. Zrozumienie tych terminów jest kluczowe, aby dobrać przewód, który będzie bezpieczny i efektywny w Twojej instalacji.
Jaki przekrój kabla wybrać dla rolet?
Standard, który sprawdza się w 90% przypadków: Przewód 1,5 mm²
Z mojego doświadczenia wynika, że w zdecydowanej większości instalacji rolet zewnętrznych w Polsce, gdzie silniki mają moc w zakresie 50-120 W przy napięciu 230 V, przewód miedziany o przekroju 1,5 mm² jest absolutnym standardem i zazwyczaj w pełni wystarczający. Jest to minimum wymagane przez obowiązujące normy, takie jak PN-IEC 60364, i zapewnia bezpieczne oraz stabilne zasilanie na odcinkach do około 20-30 metrów. Dla typowych zastosowań domowych nie ma potrzeby stosowania grubszych przewodów, co przekłada się na niższe koszty i łatwiejszy montaż.Kiedy warto zainwestować w grubszy kabel? Scenariusze wymagające przekroju 2,5 mm²
Choć 1,5 mm² to standard, istnieją sytuacje, w których zastosowanie grubszego przewodu o przekroju 2,5 mm² jest nie tylko zalecane, ale wręcz konieczne. Oto kilka scenariuszy, które warto wziąć pod uwagę:
- Długie odcinki instalacji: Jeżeli długość kabla od rozdzielni do silnika rolety przekracza 30 metrów, zwiększa się ryzyko znaczących spadków napięcia. Grubszy przewód minimalizuje ten efekt, zapewniając stabilną pracę.
- Podłączenie kilku rolet do jednego obwodu: W przypadku, gdy planujesz podłączyć kilka silników rolet do jednego wspólnego obwodu elektrycznego, sumaryczne obciążenie może wymagać większego przekroju, aby uniknąć przeciążenia i przegrzewania.
- Silniki o znacznie większej mocy: Niektóre, szczególnie duże i ciężkie rolety, mogą być wyposażone w silniki o mocy znacznie przekraczającej standardowe 120 W. W takich przypadkach 2,5 mm² zapewni odpowiedni zapas mocy i bezpieczeństwo.
Spadki napięcia a długość instalacji jak uniknąć problemów z działaniem rolet
Spadki napięcia to zjawisko naturalne w każdej instalacji elektrycznej, polegające na zmniejszeniu wartości napięcia wraz ze wzrostem długości przewodu i obciążenia. W kontekście rolet elektrycznych, zbyt duży spadek napięcia może prowadzić do szeregu problemów. Silnik może działać wolniej, mieć trudności z podnoszeniem lub opuszczaniem rolety, a nawet przegrzewać się, co skraca jego żywotność. W skrajnych przypadkach może dojść do jego uszkodzenia. Aby uniknąć tych problemów, kluczowy jest odpowiedni dobór przekroju kabla. Przy dłuższych odcinkach instalacji zwiększenie przekroju z 1,5 mm² do 2,5 mm² znacząco redukuje spadki napięcia, zapewniając silnikowi optymalne warunki pracy i długie, bezawaryjne działanie.
Ile żył w kablu do rolet dopasuj do sterowania
Minimum dla sterowania radiowego i smart: Instalacja 3-żyłowa (3x1,5 mm²)
Jeśli planujesz sterowanie roletami za pomocą pilota radiowego lub z wykorzystaniem inteligentnych modułów dopuszkowych (np. WiFi, Zigbee), które komunikują się bezprzewodowo, kabel 3-żyłowy (3x1,5 mm²) jest absolutnym minimum. W takim scenariuszu potrzebujesz trzech żył: fazowej (L) do zasilania, neutralnej (N) oraz ochronnej (PE) dla bezpieczeństwa. Moduł sterujący, który umieszczasz w puszce, odbiera sygnały bezprzewodowo i sam przełącza fazę na odpowiednie uzwojenie silnika (góra/dół). To proste i skuteczne rozwiązanie, ale pamiętaj, że nie pozwala na bezpośrednie podłączenie klasycznego przełącznika ściennego.
Klasyka do przełącznika na ścianie: Kiedy niezbędny jest kabel 4-żyłowy (4x1,5 mm²)?
Dla tradycyjnego sterowania przewodowego za pomocą klasycznego przełącznika klawiszowego (żaluzjowego) na ścianie, kabel 4-żyłowy (4x1,5 mm²) jest standardem i niezbędnym wyborem. W tym przypadku, oprócz żyły fazowej (L), neutralnej (N) i ochronnej (PE), potrzebujesz dodatkowej żyły, która będzie służyła do sterowania kierunkiem ruchu rolety (góra/dół). Przełącznik mechanicznie przełącza fazę na jedno z dwóch uzwojeń silnika. Warto wspomnieć, że niektórzy producenci silników fabrycznie wyprowadzają już taki 4-żyłowy przewód, co upraszcza instalację.
Najbardziej uniwersalne i przyszłościowe rozwiązanie: Dlaczego warto wybrać kabel 5-żyłowy (5x1,5 mm²)?
Moim zdaniem, jeśli masz możliwość, zawsze wybieraj kabel 5-żyłowy (5x1,5 mm²). To rozwiązanie, które daje największą elastyczność i jest najbardziej przyszłościowe. Dlaczego? Pięć żył pozwala na realizację niemal wszystkich scenariuszy sterowania: lokalnego (przyciskiem), grupowego i centralnego, bez konieczności stosowania dodatkowych modułów bezprzewodowych. Dodatkowa żyła, często wykorzystywana jako stała faza lub dodatkowa żyła sterująca, umożliwia podłączenie zaawansowanych sterowników, czujników pogodowych, a także łatwą integrację z systemami inteligentnego domu. Nawet jeśli dziś nie planujesz zaawansowanych funkcji, taka rezerwa żył może okazać się bezcenna w przyszłości, oszczędzając Ci kosztów i kłopotów z przerabianiem instalacji.
Rodzaje przewodów do rolet który wybrać?
YDYp (płaski) vs YDY (okrągły) który i gdzie sprawdzi się najlepiej?
W instalacjach domowych do rolet najczęściej spotykamy się z dwoma typami przewodów instalacyjnych:
| Typ przewodu | Kształt | Zalety/Zastosowanie |
|---|---|---|
| YDYp | Płaski | Łatwiejszy do ukrycia pod tynkiem, w bruzdach, w listwach przypodłogowych. Powszechnie stosowany w instalacjach podtynkowych. |
| YDY | Okrągły | Bardziej odporny na uszkodzenia mechaniczne w przypadku prowadzenia natynkowego lub w rurkach. Często używany w instalacjach prowadzonych w peszlach lub korytkach. |
Wybór między YDYp a YDY często zależy od metody prowadzenia instalacji. Jeśli przewody mają być ukryte pod tynkiem, YDYp jest zazwyczaj wygodniejszy. Jeśli przewody będą prowadzone w peszlach lub na zewnątrz, YDY może być lepszym wyborem ze względu na swoją budowę.
Specjalne wymagania dla rolet zewnętrznych: Ochrona przed wilgocią i promieniami UV
Rolety zewnętrzne, jak sama nazwa wskazuje, są narażone na działanie czynników atmosferycznych. To oznacza, że przewody prowadzone na zewnątrz, nawet jeśli są w peszlu, muszą spełniać dodatkowe wymagania. Kluczowe jest użycie przewodów z odpowiednią izolacją PVC, która jest odporna na wilgoć oraz promieniowanie UV. Standardowe przewody wewnętrzne, wystawione na słońce i deszcz, szybko ulegną degradacji izolacji, co może prowadzić do zwarć, porażenia prądem, a nawet pożaru. Zawsze upewnij się, że wybrany przewód jest przeznaczony do zastosowań zewnętrznych, co zapewni trwałość i bezpieczeństwo instalacji na lata.Instalacja okablowania do rolet kluczowe kroki i zasady
Niezbędne zabezpieczenia w rozdzielni: Rola wyłącznika różnicowoprądowego i nadprądowego
Bezpieczeństwo elektryczne to priorytet, dlatego obwód zasilający rolety musi być odpowiednio zabezpieczony w rozdzielni. Niezbędny jest wyłącznik różnicowoprądowy (RCD) o prądzie zadziałania 30 mA. Jego rola jest kluczowa chroni on przed porażeniem prądem w przypadku uszkodzenia izolacji lub dotknięcia elementu pod napięciem. Dodatkowo, obwód powinien być chroniony wyłącznikiem nadprądowym, zazwyczaj o charakterystyce B i wartości B10 A (10 Amperów). Ten wyłącznik zabezpiecza instalację przed przeciążeniem i zwarciem. Wartość B10 A jest zazwyczaj wystarczająca do bezpiecznego zasilania nawet kilku silników rolet na jednym obwodzie.
Prawidłowe prowadzenie przewodów: Znaczenie peszli, puszek i pozostawiania zapasu kabla
Prawidłowe prowadzenie przewodów to podstawa trwałej i bezawaryjnej instalacji. Oto kluczowe zasady, których zawsze przestrzegam:
- Rurki ochronne (peszle): Zawsze prowadź przewody w peszlach o średnicy co najmniej 16-20 mm. Peszle chronią kable przed uszkodzeniami mechanicznymi podczas montażu i eksploatacji, a także umożliwiają ewentualną wymianę przewodu w przyszłości bez konieczności kucia ścian.
- Puszki instalacyjne: Wszystkie połączenia elektryczne muszą być wykonywane w dedykowanych puszkach instalacyjnych. Nigdy nie łącz przewodów "na luźno" pod tynkiem! Najlepiej używać szybkozłączek, np. WAGO, które zapewniają pewne i bezpieczne połączenie.
- Zapas kabla przy silniku: Zawsze pozostaw około 50 cm zapasu kabla przy silniku rolety. Ten zapas jest nieoceniony podczas montażu, regulacji, a także ewentualnego serwisowania lub wymiany silnika. Ułatwia pracę i zapobiega konieczności dorabiania przewodów.
Najczęstsze błędy montażowe i jak ich uniknąć praktyczna checklista
Wieloletnie doświadczenie nauczyło mnie, że nawet drobne błędy mogą prowadzić do poważnych problemów. Oto najczęstsze z nich i wskazówki, jak ich uniknąć:
- Brak peszli: Przewody prowadzone bezpośrednio pod tynkiem są narażone na uszkodzenia. Zawsze używaj peszli.
- Niewystarczający zapas kabla: Utrudnia montaż i serwis. Zostaw minimum 50 cm zapasu przy silniku.
- Złe połączenia: Luźne lub źle zaizolowane połączenia to ryzyko zwarcia i pożaru. Używaj puszek i szybkozłączek.
- Brak odpowiednich zabezpieczeń: Brak RCD lub zbyt duży wyłącznik nadprądowy. Sprawdź, czy masz RCD 30 mA i MCB B10 A.
- Ignorowanie spadków napięcia: Skraca żywotność silnika. Dla długich odcinków wybierz kabel 2,5 mm².
- Nieodpowiedni typ przewodu: Używanie przewodów wewnętrznych na zewnątrz. Dla rolet zewnętrznych zawsze stosuj przewody odporne na UV i wilgoć.
- Zbyt mała puszka: Brak miejsca na moduły smart. Wybieraj puszki o odpowiedniej głębokości, np. fi 60 głębokie.

Rolety w inteligentnym domu jak przygotować instalację?
Okablowanie pod sterowniki dopuszkowe (WiFi, Zigbee) na co zwrócić uwagę?
Sterowniki dopuszkowe, takie jak te od Blebox, Zamel Supla czy Shelly, to popularne i efektywne rozwiązanie do integracji rolet z systemem inteligentnego domu. Aby instalacja była bezproblemowa, zwróć uwagę na dwie kluczowe kwestie. Po pierwsze, najlepiej jest prowadzić przewód 5-żyłowy, nawet jeśli moduł smart wykorzystuje tylko 3 żyły (L, N, PE). Dodatkowe żyły mogą posłużyć do podłączenia klasycznego przełącznika obok, co daje możliwość sterowania zarówno smart, jak i manualnie. Po drugie, pamiętaj o odpowiedniej przestrzeni w puszce instalacyjnej. Moduły smart są kompaktowe, ale wymagają miejsca. Wybieraj puszki głębokie (np. fi 60 głębokie), aby bez problemu zmieścić zarówno moduł, jak i połączenia.
Sterowanie centralne i grupowe jak zaplanować instalację, by zarządzać wszystkimi roletami naraz?
Możliwość sterowania wszystkimi roletami naraz, lub grupami rolet, to jeden z największych atutów automatyki domowej. Aby to osiągnąć, przewód 5-żyłowy jest najlepszym wyborem. Pozwala on na podłączenie sterowników centralnych lub grupowych, które mogą wysyłać sygnały do wielu rolet jednocześnie. Kluczowe jest przemyślane rozprowadzenie okablowania już na etapie projektu. Zamiast prowadzić przewody od rolety do rolety, rozważ topologię gwiazdy, o której opowiem za chwilę. Takie podejście zapewni Ci maksymalną elastyczność i możliwość łatwej rozbudowy systemu w przyszłości.
Przeczytaj również: Roleta rzymska z firanki: Prosty sposób na piękne okno DIY.
Topologia gwiazdy złoty standard w instalacjach smart home
Jeśli planujesz rozbudowany system inteligentnego domu z roletami, topologia gwiazdy to "złoty standard". Polega ona na prowadzeniu osobnego przewodu od każdej rolety bezpośrednio do centralnej puszki zbiorczej lub rozdzielni elektrycznej. Dzięki temu każda roleta ma swoje niezależne okablowanie, co zapewnia:
- Maksymalną elastyczność: Możesz niezależnie sterować każdą roletą, programować indywidualne scenariusze i łatwo integrować z różnymi systemami smart home.
- Łatwość diagnostyki: W przypadku awarii jednej rolety, łatwo zidentyfikować problem, ponieważ każda ma swój dedykowany obwód.
- Możliwości rozbudowy: Z łatwością dodasz nowe funkcje, czujniki czy sterowniki, bez konieczności ingerencji w istniejące okablowanie innych rolet.
Choć wymaga to większej ilości kabla, korzyści płynące z topologii gwiazdy w długoterminowej perspektywie są nieocenione.
Podsumowanie: Ostateczna ściągawka wyboru kabla do rolet
Aby ułatwić Ci podjęcie decyzji, przygotowałem zwięzłą ściągawkę, która podsumowuje kluczowe aspekty wyboru okablowania do rolet:
| Aspekt | Rekomendacja |
|---|---|
| Przekrój kabla | 1,5 mm² dla większości rolet do 30 m; 2,5 mm² dla długich odcinków (>30 m) lub mocniejszych silników. |
| Liczba żył (sterowanie) | 3 żyły (radio/moduły smart bez przełącznika); 4 żyły (przełącznik ścienny); 5 żył (uniwersalne, przyszłościowe, smart home). |
| Typ przewodu | YDYp (płaski) lub YDY (okrągły). Dla rolet zewnętrznych: odporny na wilgoć i UV. |
| Zabezpieczenia | W rozdzielni: RCD 30 mA i wyłącznik nadprądowy B10 A. |
| Prowadzenie przewodów | Zawsze w peszlach (min. 16-20 mm); połączenia w puszkach (z szybkozłączkami); 50 cm zapasu przy silniku. |
| Smart Home | Rozważ 5-żyłowy przewód i topologię gwiazdy dla maksymalnej elastyczności. Puszki głębokie dla modułów dopuszkowych. |
